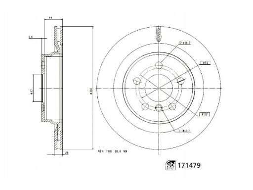
Fe171479 Tarcza Hamulcowa Tył L/P Pasuje Do: Bmw 1 (F40), 2 (F45), 2 G
Cena: Cena Specjalna 147,18 zł
TARCZA HAMULCOWA
TARCZA HAMULCOWA TYŁ L/P PASUJE DO: BMW 1 (F40), 2 (F45), 2 GRAN COUPE (F44), 2 GRAN TOURER (F46), X1 (F48), X2 (F39), CADILLAC FLEETWOOD, MINI COOPER (J01), COUNTRYMAN (F60) 1.5-ELECTRIC 10.84-
Informacje dodatkowe:- Gwarantowana jakość i dopasowanie
- Możliwość dopasowania części na podstawie numeru VIN (funkcja dostępna w ramach oferty)
- Stan: Nowa
- Numer katalogowy: FE171479








