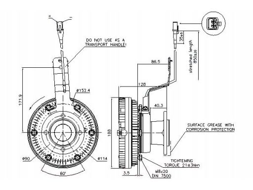
SPRZĘGŁO WENTYLATORA CHODNICY
SPRZĘGŁO WENTYLATORA CHŁODNICY (ILOŚĆ PINÓW: 2, Z PRZEWODEM) PASUJE DO: MAN E2000, F2000, TGX I D2676LF05-D2866LF39 01.94-
Dobieramy części pod nr VIN86039
2100 040 431, 3.15222, AUG58547, CFC 134 000P, D5MA005TT, FE108075, NRF 49005








